PTS-系列之PEK-100系列教学——PEK-110模块之单相并网逆变器
经过前几期对于PTS-800中基本的电路图拓扑结构的学习,我们已经掌握了基本的电路模型。从PEK-100系列开始,在固有电路拓扑基础上开始对电路的控制方式进行学习。本期将针对单相全桥逆变PEK-110的控制方式以及与新能源中光伏发电结合探究最大功率点追踪技术的学习。

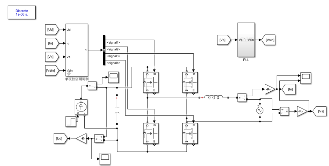
实验原理:
单相全桥并网逆变器采用双闭环控制的单极性倍频调制,外环是电压回路用以维持直流侧电容电压,电压环的输出作为内环的给定信号。内环是电感电流回路用以维持单位功率并网,给定信号是电压环的输出。电流环的输出信号作为调制波与载波进行比较得到逆变器的控制信号。

在单位功率并网前提下,交流侧的输入功率如下:

在单位功率并网条件下,电路简化图如下:

根据上式可以看出,逆变器的输出功率包含一个直流分量和一个二次谐波分量,该二次谐波将对直流侧造成二次谐波。根据功率守恒,直流侧的平均功率等于交流侧功率的直流分量。因此,

由直流测电源对电容充电可知:

为了衰减直流侧电压的二次谐波含量,电压外环的带宽必须远小于120Hz才可以。因此电压环控制器可以选择type II型控制器(即:PI+低通滤波器)
电流环设计:

根据电感两端的电压公式可以画出上图,为了抵消输出电压对回路的扰动,我们采取了前馈控制。对于控制器Gi的设计,可以采取P、PI以及Type 2等控制方式。本次我们选择较为简单的P控制器进行设计。令Gi=k1,则传递函数如下:

故

其中Ui为开关频率的十分之一到八分之一。
电压环设计:

电压回路控制方块图如图所示。假设电流回路响应之带宽较电压回路带宽高四倍以上,则电流回路之响应在分析电压回路响应时可以被视为1。由于我们选择了type II型控制器,已知电压带宽为Uv,则:

锁相环设计:

在并网过程中,为了获取电网的相位,需要进行锁相环的设计。

根据上式,电网将获取的相位信号与电网信号的正弦值误差进行PI控制。为了获取电网相位的正弦值与余弦值,采用了延时四分之一个周期的信号分别计算。
实验效果:




总 结:
并网电流小于直流侧的输入电流是由于负载和变换器存在功率损耗。经过以上对单相并网逆变器的讲解有助于学生进行学习了解双闭环并网控制器的设计流程。固纬电子在电力电子教学方向致力于为老师减少压力,缓解学生的学习压力,因此开创了全新的理论与实践相结合的教学模式,还请各位老师同学进行了解转发。
附:为了提供学生更加丰富的学习资料,本次我们提供了matlab的仿真文件,感兴趣的可以点赞转发,在文章下面留言以及联系方式或邮箱可以免费提供仿真文件。



